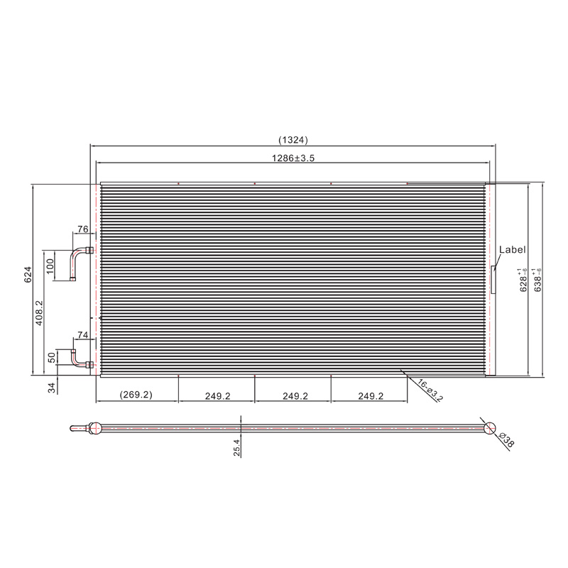
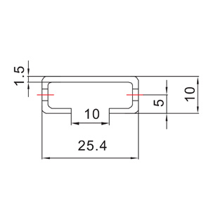
| 型号 | 芯体长度 | 芯体高度 | 扁管厚度 | 翅片片距 | 翅片高度 | 集流管外径 |
| SC-1700 | 1324[mm] | 638[mm] | 25.4[mm] | 1.1[mm] | 8[mm] | 38[mm] |
| 52.13[in] | 25.12[in] | 1[in] | 23[FPI] | 0.31[in] | 1.5[in] |
| 型号 | 扁管高度 | 扁管数量 | 回路 | 内部容积 | 入口内径直径 | 出口内径 |
| SC-1700 | 2[mm] | 61 | 43/18 | ≈4.35[L] | 15.88[mm] | 12.7[mm] |
| 0.08[in] | ≈265.46[in3] | 5/8[in] | 1/2[in] |
边板安装
铝制微通道换热器在高温下存在热胀冷缩现象,支架安装等必须允许一定的公差范围。
性能参数
| 风速 | 换热性能 [KW/Btu/h×1000] | ||||||||
| [m/s] | [ft/min] | R410A | R134a | ||||||
| △ =10K △ =18°F |
△ =15K △ =27°F |
△ =2K △ =36°F |
△ =25K △ =45°F |
△ =10K △ =18°F |
△ =15K △ =27°F |
△ =2K △ =36°F |
△ =25K △ =45°F |
||
| 1 | 197 | 8.51/29.04 | 13.08/44.64 | 18.03/61.54 | 22.78/77.75 | 8.39/28.63 | 12.84/43.82 | 17.21/58.74 | 21.79/74.37 |
| 1.5 | 295 | 12.08/41.23 | 19.11/65.22 | 25.89/88.36 | 32.84/112.08 | 11.78/40.20 | 18.09/61.74 | 24.91/85.02 | 31.32/106.89 |
| 2 | 394 | 15.32/52.29 | 24.48/83.55 | 33.21/113.34 | 42.08/143.62 | 14.89/50.82 | 22.88/78.09 | 31.74/108.33 | 39.99/136.48 |
| 2.5 | 492 | 18.91/64.54 | 29.41/100.38 | 40.03/136.6 | 50.66/172.90 | 17.72/60.48 | 28.03/95.67 | 38.09/130.00 | 48.12/164.23 |
| 3 | 591 | 21.68/73.99 | 34.12/116.45 | 46.32/158.09 | 58.84/200.82 | 20.21/68.98 | 32.29/110.20 | 43.91/149.86 | 55.26/188.60 |
| 风速 | 换热性能 [KW/Btu/h×1000] | ||||||||
| [m/s] | [ft/min] | R404A | R407C | ||||||
| △ =10K △ =18°F |
△ =15K △ =27°F |
△ =2K △ =36°F |
△ =25K △ =45°F |
△ =10K △ =18°F |
△ =15K △ =27°F |
△ =2K △ =36°F |
△ =25K △ =45°F |
||
| 1 | 197 | 8.45/28.84 | 13.38/45.67 | 18.62/63.55 | 22.95/78.33 | 5.42/18.50 | 10.68/36.45 | 15.42/52.63 | 20.31/69.32 |
| 1.5 | 295 | 12.12/41.37 | 19.28/65.80 | 26.11/89.11 | 33.04/112.76 | 7.94/27.10 | 15.09/51.50 | 22.31/76.14 | 29.21/99.69 |
| 2 | 394 | 15.78/53.86 | 24.62/84.03 | 33.42/114.06 | 42.19/143.99 | 9.92/33.86 | 19.07/65.09 | 28.54/97.41 | 37.33/127.41 |
| 2.5 | 492 | 18.89/64.47 | 29.52/100.75 | 40.11/136.89 | 50.75/173.21 | 11.68/39.86 | 23.49/80.17 | 34.21/116.76 | 44.78/152.83 |
| 3 | 591 | 21.82/74.47 | 34.02/116.14 | 46.42/158.43 | 58.82/200.75 | 13.15/44.88 | 27.06/92.35 | 39.62/135.22 | 51.89/177.10 |
空气侧压降数据
| 风速 | 压降 | 风量 | |||
| [m/s] | [ft/min] | [Pa] |
[inch H2O] | [m3/h] |
[cfm] |
| 1 | 197 | 18.6 |
0.07 | 2860.0 |
1682.4 |
| 1.5 | 295 | 29.5 |
0.12 | 4285.0 |
2520.6 |
| 2 | 394 | 45.8 |
0.18 | 5715.0 |
3361.8 |
| 2.5 | 492 | 59.4 |
0.24 | 7145.0 |
4202.9 |
| 3 | 591 | 73.6 |
0.30 | 8570.0 |
5041.2 |


中文简体


查看更多>>
查看更多>>
查看更多>>
查看更多>>
查看更多>>
查看更多>>
查看更多>>
查看更多>>
查看更多>>
查看更多>>
查看更多>>





